IndicePrimoPrecedenteInizioSuccessivoUltimo
QCad - Manuale di riferimento per l'utente

4. Concetti CAD di base

Questo capitolo vuole essere una introduzione ali concetti basilari sui quali si fonda un sistema CAD. Se siete già utenti di sistemi CAD probabilmente vorrete saltare la lettura di questo capitolo. I concetti esposti in questo capitolo saranno spiegati in maggior dettaglio successivamente.

4.1. Entità

Le entità sono oggetti grafici in un sistema CAD. Le tipiche entità esistenti nella maggior parte dei sistemi CAD sono: punti, linee, archi di cerchio e di ellisse. Entità più complesse entità tipiche dei sistemi CAD includono linee polinomiali, testi, dimensioni, tratteggi e splines.

4.2. Attributi

Ogni entità possiede attributi specifici, come il suo colore, il tipo e lo spessore della linea.

4.3. Livelli

Un concetto di base del disegno assistito dal calcolatore è l'utilizzo dei livelli (layers in lingua inglese, ndt) per organizzare e strutturare un disegno. Ogni entità presente in un disegno appartiene ad un preciso livello, ogni livello può contenere qualunque numero di entità. Tipicamente, tutte le entità con una comune “funzione” o con le stesse caratteristiche vengono disegnate sullo stesso livello. Ogni livello ha degli attributi (colore, grossezza della linea, tipo d linea) e le entità su di un livello acquisiscono le loro caratteristiche dal livello al quale esse appartengono.

La Figura 1 mostra un esempio di disegno con livelli. Tutte le quote del disegno appartengono al livello di nome “quote”. Il colore di tutte le quote (intese come entità) è definito dal livello, e può essere modificato cambiando il colore del livello “quote”. Il disegno può anche essere visualizzato senza quote, nascondendo il livello “quote”.

Storicamente, nel disegno manuale, veniva usato un approccio similare. Negli edifici, i diversi impianti venivano spesso disegnati su fogli trasparenti: un foglio per l'impianto di condizionamento dell'aria, uno per l'impianto elettrico e così via. Il disegno finale si otteneva quindi sovrapponendo i vari fogli.


Figura 1: Esempio di disegno eseguito utilizzando i livelli.

4.4. Blocchi

Un blocco è un gruppo di entità al quale viene assegnato un nome. I blocchi possono essere inseriti nello stesso disegno più volte, in differenti posizioni, con attributi differenti, diversi fattori di scala e angoli di rotazione (si veda la Figura 2). In questo caso i blocchi sono comunemente chiamati “inserimenti”. Gli inserimenti hanno attributi proprio come le altre entità. Un'entità parte di un inserimento può avere i suoi attributi propri, assumere i propri attributi dal livello al quale appartiene o dall'inserimento nel quale è contenuta. Una volta creati, gli inserimenti restano dipendenti dal blocco dal quale hanno avuto origine. Il vantaggio degli inserimenti è dato dal fatto che, modificando il blocco di origine, tutti gli inserimenti dipendenti da quel blocco vengono aggiornati in accordo ai cambiamenti effettuati.


Figura 2: Tre diversi inserimenti di uno stesso blocco, con differenti attributi, angoli di rotazione e fattori di scala.

4.5. Disegnare con il CAD

Per certi versi, il disegno assistito dal calcolatore è simile al disegno tradizionale. Dovendo disegnare una vista di un oggetto su un foglio, voi usereste un righello o una squadra per tracciare le linee. I sistemi CAD offrono strumenti per ottenere lo stesso risultato. Il grande vantaggio dei sistemi CAD è costituito dal fatto di poter facilmente modificare un'entità dopo averla creata. Questa potrebbe essere una delle cose più difficili da imparare nel passaggio dal foglio di carta al CAD. Lavorando con un sistema CAD vi troverete spesso nella situazione di dover creare linee che non appariranno nel disegno finale, o che non avranno da subito la lunghezza giusta (si veda la figura 3). Un errore tipico dei principianti è l'intenzione di creare direttamente il disegno finito. Non esitate a inserire nei vostri disegni linee di costruzione, se queste possono esservi utili nel definire correttamente e verificare le parti dei vostri disegni.


Figura 3: Tre possibili passi per creare un disegno utilizzando le linee di costruzione e la capacità di un sistema CAD di modificare entità esistenti.

4.6. Sistemi di coordinate

Una buona comprensione del funzionamento dei più comuni sistemi di coordinate è essenziale per utilizzare al meglio qualunque programma CAD. Se non avete alcuna dimestichezza con le coordinate è altamente raccomandato dedicare del tempo alla comprensione di questo concetto.

Origine

L'origine (o punto di origine) del disegno è il punto di intersezione dell'asse X con l'asse Y. L'origine è anche il punto di zero assoluto del disegno.

Punto di zero relativo

Oltre al punto di zero assoluto, in QCad esiste anche il punto di zero relativo. Esso può essere posizionato dall'utente in qualunque punto del disegno, come riferimento locale e temporaneo di costruzione.

Coordinate cartesiane

Oltre al punto di zero assoluto, in QCad esiste anche il punto di zero relativo. Esso può essere posizionato dall'utente in qualunque punto del disegno, come riferimento locale e temporaneo di costruzione.

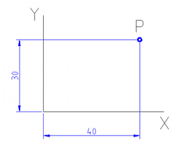
Il sistema di coordinate cartesiane è il sistema di riferimento di partenza, che viene utilizzato se non viene specificato l'utilizzo di qualunque altro sistema di riferimento. Nel sistema di coordinate cartesiane, la posizione di un punto è determinata attraverso la sua distanza da due assi: l'asse X e l'asse Y (si veda la figura 4). Le coordinate cartesiane sono comunemente descritte nel formato:

ascissa-x,ordinata-y

Per esempio, il punto di coordinate 3.5,7 si trova 3,5 unità alla destra dell'origine e 7 unità sopra l'origine.


Figura 4: Coordinate cartesiane assolute 40,30.

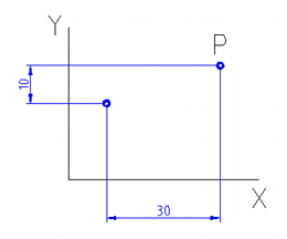
Le coordinate cartesiane possono anche avere origine in una posizione diversa dallo zero assoluto. In questo caso si parla di “coordinate relative” (si veda la figura 5). Non esiste un sistema unificato per indicare le coordinate relative, ma in QCad esse vengono scritte nel formato:

@ascissa-x,ordinata-y


Figura 5: Coordinate cartesiane relative @30,10.

Coordinate polari

Le coordinate polari descrivono la posizione di un punto attraverso una distanza ed un angolo. L'angolo pari a 0 corrisponde sempre all'orientamento verso destra sullo schermo (il punto cardinale est). In QCad le coordinate polari sono descritte nel formato:

distanza<angolo


Figura 6: Coordinate polari assolute 50<38.

Così come le coordinate cartesiane, anche le coordinate polari possono avere origine in un punto diverso dallo zero assoluto del disegno. In QCad, le coordinate polari relative si esprimono nel formato:

@distanza<angolo


Figura 7: Coordinate polari relative @31.3<20.14

4.7. Aggancia ad oggetto e alla griglia

Ogni volta che avete bisogno di specificare coordinate in QCad, potete usare le funzioni “aggancia”. Queste funzioni vi permettono di selezionale con precisione punti appartenenti alla griglia, punti significativi di un oggetto esistente, come punti finali, punti mediani, centri o intersezioni tra due entità.

4.8. Concetti di base per modificare

Costruire le entità

Le entità possono essere aggiunte a un disegno attraverso diversi strumenti di disegno o replicando entità esistenti. Disegnare un'entità significa definire tutti i punti e i parametri necessari a definire completamente l'entità stessa, come per esempio i punti estremi di una linea.

Selezionare le entità

Prima di poter cancellare, replicare o trasformare un'entità, essa deve essere selezionata. La selezione delle entità è una delle azioni più elementari in un sistema CAD. In ogni caso, la selezione dell'entità esatta per intraprendere un'azione non è sempre banale. QCad offre una vasta serie di funzioni di selezione, per selezionare rapidamente gruppi di entità, entità in un'area definita, entità connesse tra loro e così via.

Cancellare

Cancellare una qualunque entità significa rimuoverla dal disegno. In QCad, tutte le funzioni che hanno a che fare con la cancellazione di entità sono raggruppate insieme alle funzioni di modifica.

Modificare

Le entità esistenti possono essere modificate in diversi modi. Le modifiche di base comprendono la traslazione, la rotazione, la riflessione speculare e il cambiamento di scala (ingrandimento/rimpicciolimento). Queste azioni non alterano le caratteristiche geometriche delle entità coinvolte. Altre azioni di modifica interessano le caratteristiche delle entità più a fondo (per esempio le azioni estendi, raccorda o stira).

4.9. Visualizzare nel CAD

Diversamente dal disegno manuale, nel disegno CAD non vi è alcuna necessità di determinare in anticipo la dimensione del foglio e la scala del disegno. Nel disegno al calcolatore non esiste alcuna scala di disegno: tutti i valori e le distanze vengono specificati utilizzando i valori numerici reali. Un oggetto lungo 10 metri viene disegnato come un oggetto lungo 10 metri. Solo al momento della stampa del disegno deve essere specificata la scala del disegno, in modo che il disegno sia contenuto nel foglio di carta. Il modello del disegno in sé non viene in nessun modo modificato durante questa fase, tutto resta sempre in scala 1:1. Sullo schermo, l'utente può regolare l'area visibile del disegno stringendo o allargando l'inquadratura, per individuare più dettagli o per avere una vista d'insieme del disegno. Un'altra importante funzione di visualizzazione nel disegno CAD è il trascinamento. Per visualizzare una parte del disegno diversa da quella corrente senza cambiare fattore di scala, l'utente può spostarsi verso la zona da inquadrare trascinando il cursore rettangolare fino alla zona desiderata.


IndicePrimoPrecedenteInizioSuccessivoUltimo