Tartalom First Prev Home Next Last
QCad Felhaszn�l�i k�zik�nyv
 
   

3 CAD alapfogalmak

Ennek a fejezetnek az a célja, hogy gyors betekintést nyújtson a CAD rendszerekbe. Ha már dolgozott CAD programokkal, átugorhatja ezt a részt. Az itt megemlített alapfogalmakat később részletesen is megismerheti.

Entitások

Az entitások a CAD rendszerek grafikus alapegységei. A tipikus entitások általában: pontok, vonalak, körök és ellipszisek. A műszaki rajzok összetett entitásai a poligonok, szövegek, méretháló, kitöltő minták és spline közelítések.

Tulajdonságok

Minden entitás rendelkezik bizonyos jellemzőkkel, mint a színe, vonalának stílusa és vastagsága.

Fóliák

A számítógéppel támogatott műszaki rajzkészítés egyik alapelve a rajz fóliákra bontása. A rajz minden eleme pontosan egy fólián lehet, de minden fólia számos elemet tartalmazhat. Általában az azonos tulajdonságú, vagy 'funkciójú' elemek kerülhetnek azonos fóliára. Például érdemes minden tengelyt a 'tengelyek' feliratú fóliára tenni (1 ábra). A fóliáknak lehetnek tulajdonságaik (szín, vonalvastagság, vonal stílusa). Minden entitás (elem) rendelkezhet saját tulajdonságokkal, vagy örökölheti azokat a fóliától, amelyre helyezte. Ez utóbbi esetben például egyszerre változtathatja meg az összes tengely színét, ha a tengelyek fólia színén változtat.

A kézi szerkesztés során is hasonló módon dolgoznak. Az épületek szerkezeti elemei, elektromos hálózatai, szellőző rendszerei külön átlátszó papírra vagy fóliára készülnek. Ezek egymásra helyezve adják a végleges teljes rajzot.

Ábra 1: Példa a fóliák használatára.

Blokkok

A blokk entitások csoportja. A blokkok többször is beszúrhatóak ugyanabba a rajzba eltérő tulajdonságokkal, különböző pozíciókba, mérettel és elforgatással (2 ábra). A blokkok részleteinek lehetnek önálló tulajdonságaik, vagy örökölhetik azokat a blokktól. Minden blokkon belül létrehozott elem a blokk egészéhez kötődik. Ezáltal a blokk tulajdonságainak megváltoztatása automatikusan érvényes az őt alkotó elemekre is.

Ábra 2: A blokk három megjelenése eltérő színnel, elforgatással és mérettel.

CAD vázlatok

A CAD rendszerek sokban hasonlítanak a hagyományos vázlatkészítésre. A tervek, vagy objektumok rajzolása során segédeszközöket használunk, mint a vonalzó. A CAD programokban sokféle segédeszköz található ugyanerre a célra. Nagy előnye a CAD rendszereknek, hogy az elemek megrajzolásuk után is könnyen módosíthatóak. Ez lehet a legnehezebben elsajátítható a hagyományos szerkesztésről való áttérés során. A CAD programokban sok olyan vonalat készítünk, ami nyomtatásban nem jelenik meg, vagy a mérete nem megfelelő és utólag igazítani kell (3 ábra). A kezdők általános hibája, hogy rögtön a kész méreteket és vonalakat akarják létrehozni.

Ábra 3: Három lehetséges lépés a rajzok gyors és hatékony létrehozására, kihasználva a CAD rendszerek lehetőségeit.

Koordináta rendszerek

A koordináta rendszerek lényegének megértése kritikus a CAD rendszerek megfelelő használatához. Ha még nem ismeri a koordináta rendszereket, itt az ideje, hogy megismerkedjen az alapokkal.

Origó

Az origó a rajzterület azon pontja, ahol az X és Y tengelyek metszik egymást. Ezt hívják az abszolút zérusnak. Ezen túl a QCad-ben létezik egy relatív zérus pont is. Ez utóbbi egy segéd pont, ami az utolsó művelet helye szerint változtatja a pozícióját. A relatív zérust a felhasználó is elmozdíthatja.

Descartes koordináta rendszer

(a francia filozófus, René Descartes 1596-1650 után)

Ez a szabványos koordináta rendszer, ahol egy pont helyzetét az X és Y tengelyektől mért távolsága határozza meg. A Descartes koordináta rendszert a QCad a következő formában jelzi:

x-ordináta,y-ordináta

a koordinátákat számokkal, mint 2.5 , vagy matematikai kifejezésekkel, mint cos(30)/2 , is megadhatjuk (lásd bővebben a Matematikai Kifejezések fejetezben).

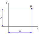
Ábra 4: Abszolút koordináták a Descartes rendszerben: 40,30 .

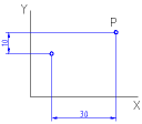
A Descartes rendszer kezdőpontja eltérhet az abszolút zérushelytől. Ebben az esetben 'relatív zérus'-ról beszélünk. A QCad-ben a következő módon adhatjuk meg:

@x-ordináta,y-ordináta

Ábra 5: Relatív koordináták @ 30,10 .

Polár koordináták

A polár koordináta rendszerben távolság és irány (szög) adatokkal azonosítható a pontok pozíciója. A QCad programban ez a következő módon történik:

távolság<szög

Ábra 6: Abszolút polár koordináták 50<37 .

Miként a Descartes rendszerben, itt is számolhatunk relatív koordinátákkal. A QCad programban ezt így kell megadni:

@távolság<szög

Ábra 7: Relatív polár koordináták @31.6<18.4 .

Igazítás elemekhez, rácshoz

Amikor a QCad programban koordinátákat kell megadni, az igazítás eszközeivel precízen kiválaszthatóak a rácspontok, vagy a létrehozott elemek fontos pontjai: végpontok, szakaszfelezők, stb.

Az "Elem igazítása" fejezet bővebb áttekintést ad az igazítás, illesztés eszközeiről.

Szerkesztési alapok

Minden elem (entitás) beilleszthető, kijelölhető, amennyiben már kijelölt, törölhető, másolható, módosítható. Az elem beillesztése azt jelenti, hogy a megfelelő eszköz (vonal, ív) és az új elem pozíciójának (pl. egy szakasz végpontja) kiválasztása után a rajzterületen létrehoztuk.

Az "Elemek szerkesztési parancsai" fejezetben található az összes elem létrehozásához szükséges eszköz listája.

Elem kijelölése

Az elemeket szerkesztésük előtt (törlés, másolás, módosítás) ki kell jelölni. Az elemek kijelölése a legalapvetőbb CAD műveletek egyike. A QCad program számos lehetőséget biztosít az elemek csoportjainak, az adott területen belüli elemeknek, vagy a csatlakozó elemeknek a gyors kijelölésére.

Az "Elemek kijelölése" fejezet bemutatja a kijelölés eszköztárát a QCad programon belül.

Törlés

Az elemek törlése a rajzról történő eltávolításukat jelenti.

Módosítások

A CAD rendszerek alapvető módosításain a forgatást, tükrözést, átméretezést értjük. A felsorolt eljárások nem változtatnak az elemek geometriáján. A letörés, levágás, lekerekítés, nyújtás viszont igen.

A "Módosítások" fejezet részletes leírást ad az elérhető segédeszközökről.

CAD nézetek

A kézi szerkesztéstől eltérően a CAD rendszerekben nincs szükség a méretarány és a papírméret előzetes meghatározására. Itt nincs méretarány: minden távolságot és méretet az eredeti adatokkal kell megadni. Egy 10 méteres elemet 10 méteresként kell megrajzolni. Csak a nyomtatáshoz adjuk meg a papírméretet és a hozzá illő méretarányt.

A képernyőn a felhasználó szabadon változtathatja a rajz látható területét, ha több részletet szeretne pontosabban látni, a kívánt terület nagyítható. Egy másik fontos lehetőség a panoráma: a nagyítás mértékének változtatása nélkül mozgatható az aktuális nézet ablak a rajzterület felett, egészen a kívánt pozícióig.

A "Nézet" fejezet minden információt megad a nézetekkel kapcsolatban.

   
  Tartalom First Prev Home Next Last

Copyright � 2003 RibbonSoft, Inc.
Minden jog fenntartva.
Ez a k�zik�nyv a ManStyle felhaszn�l�s�val k�sz�lt.